Ciao, ho visto che sei un genio con queste vecchie opere d’arte. Io in casa ho una collezione commodore e fra questi un bellissimo commdore pet 8032 credo.
Purtroppo non si accende… a chi mi posso rivolegere?
sono della zona di Rimini e dintorni
Inanzitutto grazie, dammi maggiori informazioni riguardo il tuo 8032, si accende ma hai caratteri sullo schermo? oppure non si accende proprio del tutto ? senti il trasformatore interno che si mette in funzione? e’ cosi’ grosso che e’ inevitabile sentire che entra in funziona, controllato fusibile?
Potrei ripararlo , facendo una diagnosi piu’ precisa probabilmente basterebbe solo la scheda madre.
Salve, mi chiamo Davide, ho trovato la descrizione del “miracolo” che hai fatto (con tanta santa pazienza…) su internet cercando di capire di più sul mio problema, che vorrei sottoporti per un aiuto o riparazione (se reputi): ho un cbm 4032 con 2 lettori 4040. Il problema è che collegando il lettore al pc e scrivendo (per es.) LOAD”fattura”,8 mi dice “file not found error”, ma non è vero perchè il driver (zero o uno a seconda dove si trova il floppy) non si aziona proprio, nè il motorino né il relativo led. Se stacco il cavo (e ne ho provati 2) di collegamento e scrivo lo stesso comando, allora mi dice “device not present error”. Da tener presente che il lettore quando lo accendo da dietro, sento il rumore dei motorini, si accendono i 3 led per 2 secondi e poi si spengono, e dopo 5-6 secondi anche i motorini; tutti e due i lettori fanno così. Domanda: che cos’è che non va ? il lettore o il pc ?
Ti ringrazio in anticipo del tempo che mi ha dedicato, un saluto, Davide
@xAD / nIGHTFALL
Ti ringrazio moltissimo per la risposta che mi hai dato, ma purtroppo non ne capisco abbastanza di riparare questi circuiti in base agli schemi che mi hai fornito. Mi sono recato, allora, presso un radiotecnico della mia città, il quale mi ha detto che non può controllare i chip se non con un oscilloscopio se c’è passaggio dati. Per la verità anche se non ci conosciamo direttamente, sento di fidarmi più di te che del “mio” radiotecnico… per questo sarei moooooooooooolto felice e sicuro se potessi guardarli tu, ma non so se lo posso chiedere, non vorrei essere scortese. In caso positivo te li spedire con corriere oppure, se non sei molto distante da me, te li porterei di persona; io sono in puglia, in provincia di Lecce, precisamente vicino Gallipoli (non so se hai mai sentito parlare come meta turistica…). Ti rinnovo i ringraziamenti per il tempo che fin qui mi hai dedicato, ed aspetto (magari positiva) uno tua risposta.
Saluti, Davide
Ti ringrazio moltissimo per la risposta che mi hai dato, ma purtroppo non ne capisco abbastanza di riparare questi circuiti in base agli schemi che mi hai fornito. Mi sono recato, allora, presso un radiotecnico della mia città, il quale mi ha detto che non può controllare i chip se non con un oscilloscopio se c’è passaggio dati. Per la verità anche se non ci conosciamo direttamente, sento di fidarmi più di te che del “mio” radiotecnico… per questo sarei moooooooooooolto felice e sicuro se potessi guardarli tu, ma non so se lo posso chiedere, non vorrei essere scortese. In caso positivo te li spedire con corriere oppure, se non sei molto distante da me, te li porterei di persona; io sono in puglia, in provincia di Lecce, precisamente vicino Gallipoli (non so se hai mai sentito parlare come meta turistica…). Ti rinnovo i ringraziamenti per il tempo che fin qui mi hai dedicato, ed aspetto (magari positiva) uno tua risposta.
Saluti, Davide
Anchio avevo il medesimo problema con un cbm 8032 tornato in vita proprio ieri sera.
Sintomi….. Avvio con beep confortante ma schermo sempre nero :(
Controllato con oscilloscopio le forme d’onda in uscita alla scheda madre, H-sync V_sync e segnale video presenti, oltretutto in linea con quelli indicati dal manuale tecnico…
verificato i punti di tensione alla scheda del monitor, tutti quasi perfetti al di fuori di quelli in uscita del trasformatore di riga, tensioni completamente differenti da quelle indicate nel manuale…
a questo punto mio compare molto piu esperto di me, mi ha fatto visita ieri sera, e anche lui ha ipotizzato che se il segnale non arriva corretto probabilmente il trasformatore non sia attiva correttamente… prende in mano oscilloscopio e verifichiamo tutte le forme d’onda indicate nei test, dalla n1 alla n18….. tutte perfette, ma schermo ancora nero…. premetto che prima avevamo provato l’efficenza di quasi tutti i componenti che avrebbero potuto creare problemi, diodi,transistor,condensatori, trimmer…. a quel punto increduli semplicemente smanettando a monitor acceso e caldo sui trimmer ecco che appare come d’incanto il boot :))))
*** commodore basic 4.0 ***
31743 bytes free
ready.
|
Che soddisfazione ……
Adesso prendo per mano con calma un bel ( bello per modo di dire, sembra che abbia passato gli ultimi 10 anni dentro un pollaio :))) CBM3040 da affiancare a questa stupenda a mio avviso macchina Commodore
ciao vedo che sei un genio di questi ormai preziosi cbm:
ti espongo il problema, ho avuto in donazione un cbm 4032-n
sintomo: accende e subito compaiono tanti caratteri confusi,
controllando la piastra in tutti i suoi dettagli noto che un ic uc7 denominato (8237 sy6502a)
suppongo non originale tutto ossidato una volta staccato dallo zoccolo si sono rotti i terminali.
e successivamente vedo che i 3 integrati UD7 UD8 UD4 mettendocci un dito sono leggermente caldi leggo varie cause ma il sintomo ancora tutt’oggi non migliora resta sempre uguale
aspetto tue notizie in merito
cmq ma l’integrato denominato 6502 a compromesso che lavoro esegue?
Ciao, ho visto che sei un genio con queste vecchie opere d’arte. Io in casa ho una collezione commodore e fra questi un bellissimo commdore pet 8032 credo.
Purtroppo non si accende… a chi mi posso rivolegere?
sono della zona di Rimini e dintorni
Ciao Rossano,
Inanzitutto grazie, dammi maggiori informazioni riguardo il tuo 8032, si accende ma hai caratteri sullo schermo? oppure non si accende proprio del tutto ? senti il trasformatore interno che si mette in funzione? e’ cosi’ grosso che e’ inevitabile sentire che entra in funziona, controllato fusibile?
Potrei ripararlo , facendo una diagnosi piu’ precisa probabilmente basterebbe solo la scheda madre.
Salve, mi chiamo Davide, ho trovato la descrizione del “miracolo” che hai fatto (con tanta santa pazienza…) su internet cercando di capire di più sul mio problema, che vorrei sottoporti per un aiuto o riparazione (se reputi): ho un cbm 4032 con 2 lettori 4040. Il problema è che collegando il lettore al pc e scrivendo (per es.) LOAD”fattura”,8 mi dice “file not found error”, ma non è vero perchè il driver (zero o uno a seconda dove si trova il floppy) non si aziona proprio, nè il motorino né il relativo led. Se stacco il cavo (e ne ho provati 2) di collegamento e scrivo lo stesso comando, allora mi dice “device not present error”. Da tener presente che il lettore quando lo accendo da dietro, sento il rumore dei motorini, si accendono i 3 led per 2 secondi e poi si spengono, e dopo 5-6 secondi anche i motorini; tutti e due i lettori fanno così. Domanda: che cos’è che non va ? il lettore o il pc ?
Ti ringrazio in anticipo del tempo che mi ha dedicato, un saluto, Davide
@Davide
Ciao Davide,
Il problema potrebbe essere sia nel Floppy Drive oppure nel Computer , purtroppo una diagnosi da remoto e’ sempre molto difficile e imprecisa.
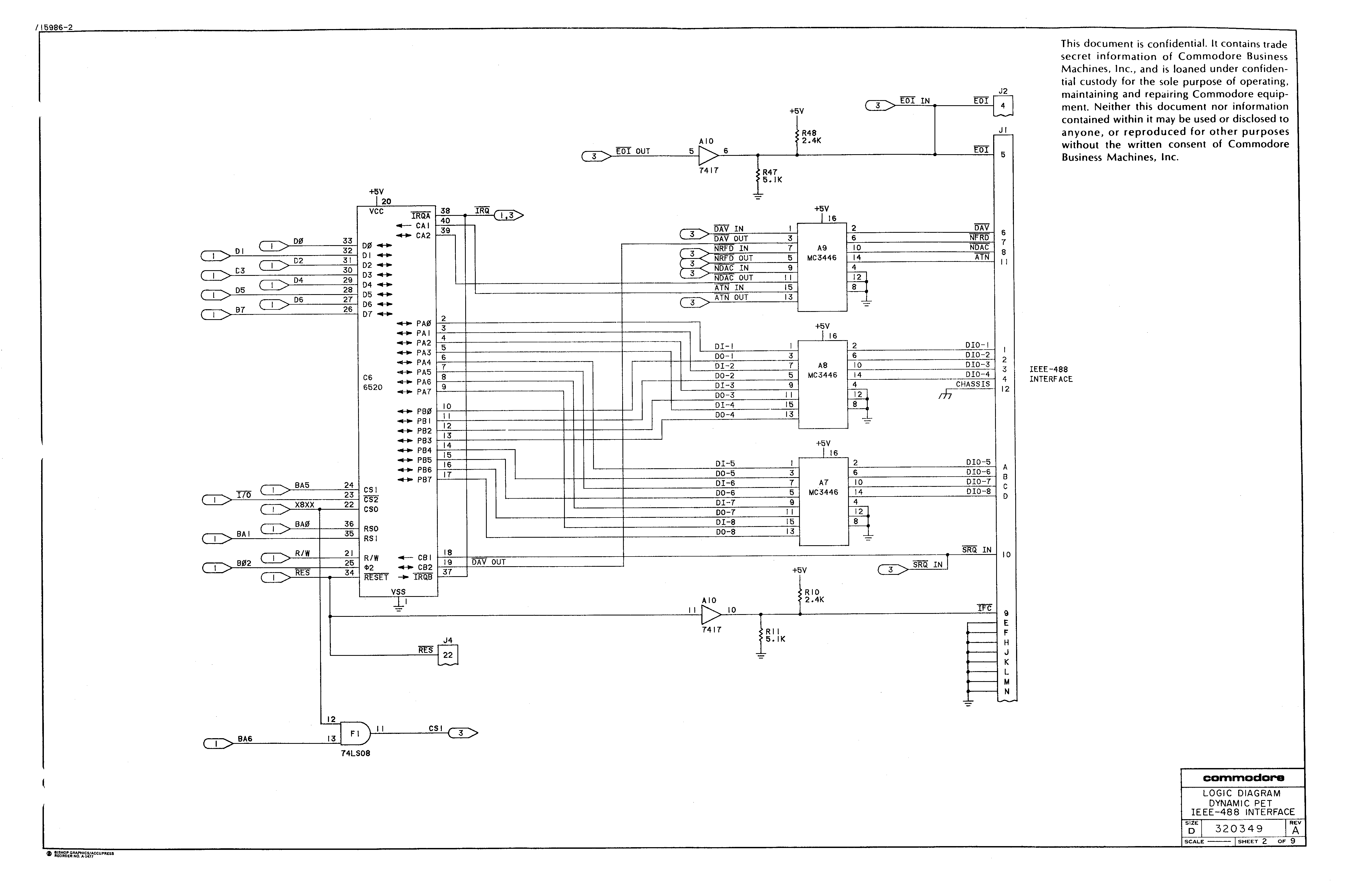
Sicuramente c’e’ un problema sul BUS IEEE-488 dunque lato computer il primo chip che “potrebbe” essere partito e’ il 6520
vedi schema: http://www.zimmers.net/anonftp/pub/cbm/schematics/computers/pet/2001N/320349-2.gif
Mentre nel floppy “potrebbero” essere una delle due 6532 o tutte e due.
vedi schema:
http://www.zimmers.net/anonftp/pub/cbm/schematics/drives/old/4040/320806-1.gif
Ciao.
@xAD / nIGHTFALL
Ti ringrazio moltissimo per la risposta che mi hai dato, ma purtroppo non ne capisco abbastanza di riparare questi circuiti in base agli schemi che mi hai fornito. Mi sono recato, allora, presso un radiotecnico della mia città, il quale mi ha detto che non può controllare i chip se non con un oscilloscopio se c’è passaggio dati. Per la verità anche se non ci conosciamo direttamente, sento di fidarmi più di te che del “mio” radiotecnico… per questo sarei moooooooooooolto felice e sicuro se potessi guardarli tu, ma non so se lo posso chiedere, non vorrei essere scortese. In caso positivo te li spedire con corriere oppure, se non sei molto distante da me, te li porterei di persona; io sono in puglia, in provincia di Lecce, precisamente vicino Gallipoli (non so se hai mai sentito parlare come meta turistica…). Ti rinnovo i ringraziamenti per il tempo che fin qui mi hai dedicato, ed aspetto (magari positiva) uno tua risposta.
Saluti, Davide
Ti ringrazio moltissimo per la risposta che mi hai dato, ma purtroppo non ne capisco abbastanza di riparare questi circuiti in base agli schemi che mi hai fornito. Mi sono recato, allora, presso un radiotecnico della mia città, il quale mi ha detto che non può controllare i chip se non con un oscilloscopio se c’è passaggio dati. Per la verità anche se non ci conosciamo direttamente, sento di fidarmi più di te che del “mio” radiotecnico… per questo sarei moooooooooooolto felice e sicuro se potessi guardarli tu, ma non so se lo posso chiedere, non vorrei essere scortese. In caso positivo te li spedire con corriere oppure, se non sei molto distante da me, te li porterei di persona; io sono in puglia, in provincia di Lecce, precisamente vicino Gallipoli (non so se hai mai sentito parlare come meta turistica…). Ti rinnovo i ringraziamenti per il tempo che fin qui mi hai dedicato, ed aspetto (magari positiva) uno tua risposta.
Saluti, Davide
@Davide
Ciao, scrivimi via mail, la trovi in fondo la pagina, dove al posto di |at| inserisci la @.
ok, ti ho mandato una mail all’indirizzo: XXXXXXXXXXXXXX
saluti
Anchio avevo il medesimo problema con un cbm 8032 tornato in vita proprio ieri sera.
Sintomi….. Avvio con beep confortante ma schermo sempre nero :(
Controllato con oscilloscopio le forme d’onda in uscita alla scheda madre, H-sync V_sync e segnale video presenti, oltretutto in linea con quelli indicati dal manuale tecnico…
verificato i punti di tensione alla scheda del monitor, tutti quasi perfetti al di fuori di quelli in uscita del trasformatore di riga, tensioni completamente differenti da quelle indicate nel manuale…
a questo punto mio compare molto piu esperto di me, mi ha fatto visita ieri sera, e anche lui ha ipotizzato che se il segnale non arriva corretto probabilmente il trasformatore non sia attiva correttamente… prende in mano oscilloscopio e verifichiamo tutte le forme d’onda indicate nei test, dalla n1 alla n18….. tutte perfette, ma schermo ancora nero…. premetto che prima avevamo provato l’efficenza di quasi tutti i componenti che avrebbero potuto creare problemi, diodi,transistor,condensatori, trimmer…. a quel punto increduli semplicemente smanettando a monitor acceso e caldo sui trimmer ecco che appare come d’incanto il boot :))))
*** commodore basic 4.0 ***
31743 bytes free
ready.
|
Che soddisfazione ……
Adesso prendo per mano con calma un bel ( bello per modo di dire, sembra che abbia passato gli ultimi 10 anni dentro un pollaio :))) CBM3040 da affiancare a questa stupenda a mio avviso macchina Commodore
ciao vedo che sei un genio di questi ormai preziosi cbm:
ti espongo il problema, ho avuto in donazione un cbm 4032-n
sintomo: accende e subito compaiono tanti caratteri confusi,
controllando la piastra in tutti i suoi dettagli noto che un ic uc7 denominato (8237 sy6502a)
suppongo non originale tutto ossidato una volta staccato dallo zoccolo si sono rotti i terminali.
e successivamente vedo che i 3 integrati UD7 UD8 UD4 mettendocci un dito sono leggermente caldi leggo varie cause ma il sintomo ancora tutt’oggi non migliora resta sempre uguale
aspetto tue notizie in merito
cmq ma l’integrato denominato 6502 a compromesso che lavoro esegue?